Close

Send Inquiry

Coutry:

Name:

Company:

E-mail:

Submit

Multi-jet Dry Type Water Meter

Brand: Welle

Origin: China

Delivery time: 30 days upon confirmation

Sevice: OEM/ODM

Send Inquiry
Features

  Introduction  


This water meter is impeller (turbine) water meter with dry type register for residential application with sizes from DN15 to DN50 and meets to the requirements of Standard lS0 4064.


  Features  


  1. Corrosion Resistance: all the materials selected by resistance to corrosion

   2. Anti-interference: the conception of the Magnetic Protection to against the external influences

   3.Directly Reading: the indicator register is of 5 Rollers (Dn40/Dn50 with 6 Rollers) and 4 Pointers

   4.Extra Inlet Filter: the inlet & filter prevents water meter from any effect by grit and particulates

   5.Non Return Valve: to avoid the reserve low rate as option

   6.IP68: a copper can super Dry register with lP68 protection as option

image.png

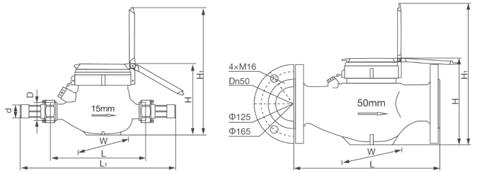
  Dimension  

Size(mm)

DN15

DN20

DN25

DN32

DN40

DN50

DN50-Flange

  L

165/190

190

260

260

300

300

300

 L₁

259/284

294

380

384

431

448

/

  D

G3/4B

G1B

G1-1/4B

G1-1/2B

G2B

G2-1/2B

/

d

R1/2

R3/4

R1

R1-1/4

R1-1/2

R2

/

H

107.5

107.5

117

118

151

151(brass)
176  (iron)

176(brass)
181(iron)

 H₁

191

191

206.5

206.5

258

258(brass)
283 (iron)

283(brass)
288 (iron)

W

95

95

100

100

122

122(brass)
145(iron)

138(brass)
145(iron)

L1 : the total length with connection and the gasket without compression.


  Technical Specification  

DN

 mm

15

20

25

32

40

50

R

Q3/Q1

80

80

Q4

  m³/h

3.125

5

7.875

12.5

20

31.25

Q3

  m³/h

2.5

4

6.3

10

16

25

Q2

 l/h

25

40

63

100

160

250

Q1

 l/h

15.625

25

39.375

62.5

100

156.25

Max.reading

 m³

99999.9999

999999.9999

Min.reading

  Liter

0.05

Pressure loss

p

p<63

Max,Pressure

 MAP

MAP16

Max,Temperate

 

T30/T50

For different Q3 and R, Please contact us.

Maximum Permission Error:

For the lower zone (Q1≤Q≤Q2): maximum permission error is +5%.

For the upper zone (Q2≤Q≤Q4): maximum permission error is +2%(T≤30°C),maximum permission error is +3% (30°C<T≤50°C).


Phone:+86 (0)25-86618785

Whatsapp:+86 18115602654

Factory 1 Address:No. 576, Huoju South Road, Huancui District, Weihai City, Shandong Province, China

Factory 2 Address:Changde Water Meter Smart Technology Industrial Park, No. 9 Gangzhong West Road, Changde, Hunan Province

Welle Digital Technology Co., Ltd. No. 5 Industry Building, Yining Industry Zone, Xinjiang, China