Close

Send Inquiry

Coutry:

Name:

Company:

E-mail:

Submit

Horizontal Dry-type Volumetric Meter

Brand: Welle

Origin: China

Delivery time: 30 days upon confirmation

Service: OEM/ODM

Send Inquiry
Features

  Introduction  


This is a horizontal volumetric water meter with the mechanical transmission and dry register, for residential application in sizes 15mm-20mm for cold water. 


  Features  


  1. Ensures high sensitivity and accurate registration throughout a wide flow range

  2. Low starting flow rate and excellent metrological performance

  3. Magnetic drive, lower transmission resistance

  4. Magnetic shield use for external magnetic field protection

  5. Evacuated and sealed dry dial register ensures clear reading

  6. Internal strainer

  7. Inlet strainer Standard Compliance Technical data conforms to ISO 4064 Class C, Class D, R160, R200, R315 standard

 

  Working Conditions  


Water temperature: ≤50ºC for cold water meter 

Water pressure: ≤1MPa or 1.6MPa optional (10bar or 16bar optional) 


  Installation requirements  


  1. The meter can be installed in any position

  2. Pipeline must be flushed before installation

  3. The meter should be constantly full of water during operation

  4. The meter must be installed with the direction of the flow as indicated by the arrow cast in the meter body

  Maximum Permissible Error  


In the lower zone from Qmin(Q1) inclusive up to but excluding Qt (Q2) is ±5%

In the upper zone from Qt(Q2) inclusive up to and including Qmax(Q4) is ±2%(cold water meter)


  Pressure Loss  

Pressure.png

  Flow Error  

Flow.png


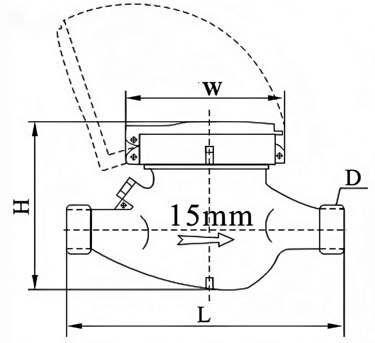
  Dimension  

Dimension1.png

Meter Size

Length(L)

Width(W)

Height(H)

Connection Thread

Weight

mm

mm

D

kg

15

165

94

107.5

G 3/4B

0.54

20

190

94

107.5

G 1B



  Technical Specification  

Size

Class

Q4

Q3

Q2

Q1

Min
reading

Max
reading

Maximum
Flowrate

Nominal
Flowrate

Transitional Flowrate

Min Flowrate

DN(mm)

m³/h

L/h

15

R160

3.125

2.5

25

15.625

0.00005

99999

R200

20

12.5

R315

12.7

7.94

20

R160

5

4

40

25

0.00005

99999

R200

32

20

R315

20.32

12.7


Phone:+86 (0)25-86618785

Whatsapp:+86 18115602654

Factory 1 Address:No. 576, Huoju South Road, Huancui District, Weihai City, Shandong Province, China

Factory 2 Address:Changde Water Meter Smart Technology Industrial Park, No. 9 Gangzhong West Road, Changde, Hunan Province

Welle Digital Technology Co., Ltd. No. 5 Industry Building, Yining Industry Zone, Xinjiang, China