Close

Send Inquiry

Coutry:

Name:

Company:

E-mail:

Submit

Horizontal Volumetric Rotary Piston Indoor Water Meter

Brand: Welle

Origin: China

Delivery time: 30 days upon confirmation

Service: OEM/ODM


Send Inquiry
Features

  Introduction  


This is a horizontal volumetric water meter with the mechanical transmission and dry register, for residential application in sizes 15mm-20mm for cold water. 


  Features  


  1. Ensures high sensitivity and accurate registration throughout a wide flow range

  2. Low starting flow rate and excellent metrological performance

  3. Magnetic drive, lower transmission resistance

  4. Magnetic shield use for external magnetic field protection

  5. Evacuated and sealed dry dial register ensures clear reading

  6. Internal strainer

  7. Inlet strainer Standard Compliance Technical data conforms to ISO 4064 Class C, Class D, R160, R200 and R315 standard

  8. Optional Features

  9. Meter body: Brass, plastic for selecting

  10. Can be equipped with reed switch option



  Working Conditions  


Water temperature: ≤50ºC for cold water meter

Water temperature: ≤90ºC for hot water meter

Water pressure: ≤1MPa or 1.6MPa optional (10bar or 16bar optional)


  Installation requirements  


  1. The meter can be installed in any position

  2. Pipeline must be flushed before installation

  3. The meter should be constantly full of water during operation

  4. The meter must be installed with the direction of the flow as indicated by the arrow cast in the meter body


  Maximum Permissible Error  


In the lower zone from Qmin(Q1) inclusive up to but excluding Qt (Q2) is ±5%

In the upper zone from Qt(Q2) inclusive up to and including Qmax(Q4) is ±2%(cold water meter)

In the upper zone from Qt(Q2) inclusive up to and including Qmax (Q4) is ±3% (hot water meter)

  Pressure Loss  

Pressure Loss.jpg


  Flow Error  

Flow Error.jpg


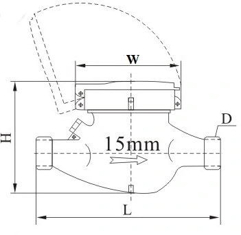
  Dimension  

1.jpg

Meter Size

Length  (L)

Width (W)

Height(H)

Connecting Thread

mm

mm

D

15

165

95

115

G3/4B

20

190

100

121

G1B

L1: the total length with connection and the gasket without compression.


  Technical Specification  

Size

Class

Q4

Q3

Q2

Q1

Min reading

Max reading

Maximum flow

Nominal flow

Transitional flow

Min flow

DN(mm)

Class

m³/h

L/h

15

R160

3.125

2.5

25

15.625

0.00005

99999

R200

3.125

2.5

20

12.5

0.00005

99999

20

R160

5

4

40

25

0.00005

99999

R200

5

4

32

20

0.00005

99999


Phone:+86 (0)25-86618785

Whatsapp:+86 18115602654

Factory 1 Address:No. 576, Huoju South Road, Huancui District, Weihai City, Shandong Province, China

Factory 2 Address:Changde Water Meter Smart Technology Industrial Park, No. 9 Gangzhong West Road, Changde, Hunan Province

Welle Digital Technology Co., Ltd. No. 5 Industry Building, Yining Industry Zone, Xinjiang, China